om live center製品紹介 |
OMライブセンター
三好鉄工が生んだ独自製品
O・Mライブセンター
高精度・省力・能率化のパイオニア
製品について

この製品は、自社の大型強力旋盤や大型円筒研削盤による重量旋研削作 業の為に、技術陣が研究を進め完成したものです。 従来の回転センターのイメージを一新した信頼度の高い、生産性の一層 の向上が期待出来る画期的な製品です。
製品の特徴
features01
センター軸を三点支持以上に
している為、軸心振れ及び
サポーターの変位を
極度に低減している。
features02
ニードルベアリングの
採用により、
軸径を極力太く
している。
features03
軸芯振れ、
及びサポーター変位の
低減により、
高精度が保持される。

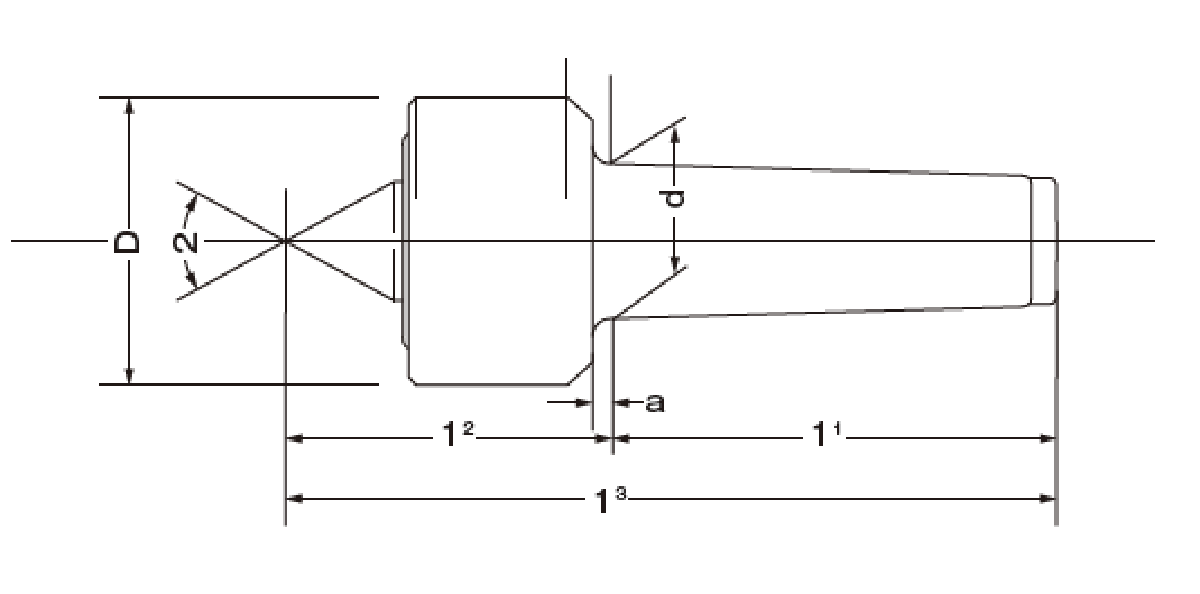
製品仕様
| 呼称 | テーパー番号 | 加工品重量 ( max Kg ) |
許容回転数 ( r.p.m ) |
センター角度 |
|---|---|---|---|---|
| M5 | モールステーパー5 | 2,000 | 1,500 | 60°(75°) |
| M6 | モールステーパー6 | 5,000 | 400 | 75°(60°) |
| M7 | モールステーパー7 | 12,000 | 180 | 70°(90°.60°) |
| M8 | 1/10(1/20)テーパー80 | 12,000 | 180 | 70°(90°.60°) |
| M10 | 1/10(1/20)テーパー100 | 21,500 | 120 | 90°(75°) |
※ 1.センター角度( )内は特別仕様です。ただし、特殊仕様の場合概略寸法に一部補正があります。
※ 2.標準仕様外のテーパーシャンクについては、弊社にお問合せ下さい。出来る限りご要望に応じます。


